亚洲捆绑调教久久久久久久,最爽FREE性欧美人妖,野花社区在线观看免费高清视频,色情教师4在线观看,国产欧美精品一区

電機控制NVH優化

通過諧(xie)(xie)波(bo)電(dian)流(liu)幅(fu)值(zhi)與(yu)相(xiang)位尋優找到適(shi)合抑制轉矩(ju)脈動的諧(xie)(xie)波(bo)電(dian)流(liu),并(bing)對各次(ci)諧(xie)(xie)波(bo)電(dian)流(liu)進行(xing)精確閉環控制,最終通過測試(shi)驗證諧(xie)(xie)波(bo)電(dian)流(liu)注入前(qian)后(hou)的電(dian)驅動系統NVH性(xing)能。

01.png

整體技(ji)術路線

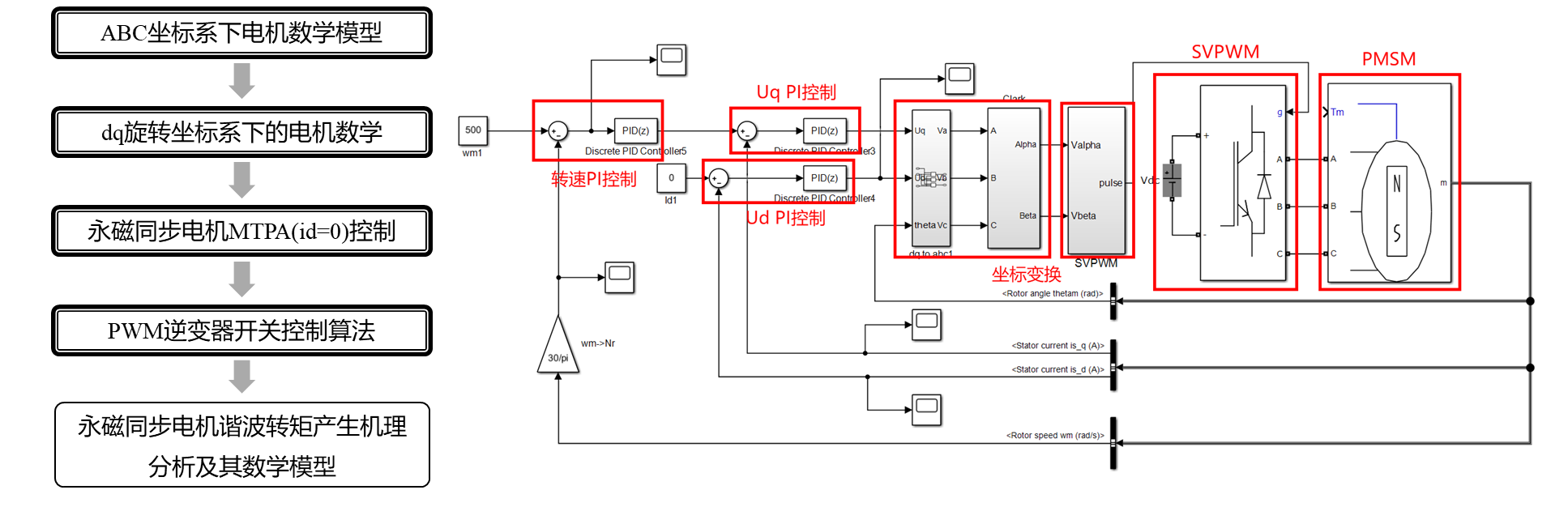
利用矢量控(kong)制(zhi)理論,通過(guo)坐標變換對永磁同(tong)步(bu)電(dian)機(ji)進行解耦(ou)控(kong)制(zhi)。結合最(zui)大轉矩電(dian)流(liu)比(id=0)控制,聯合計算電機參考電流,從而建立(li)了基于雙閉環(huan)PI控(kong)制的永磁同步(bu)電機控(kong)制框架。采用PWM算法對逆變器進(jin)行控制,并進(jin)一步分析逆變器死區、壓降(jiang)效應,建立永磁同(tong)步電機諧波轉矩模型。

02.png


Simplorer 軟件中(zhong)搭建電機功率回路模型,在Maxwell 軟件中建立電(dian)機電(dian)磁模型(xing),在Matlab/Simulink 搭建電(dian)(dian)(dian)機(ji)(ji)控制回路(lu)模(mo)型,此聯合模(mo)型該模(mo)型能(neng)(neng)夠反(fan)映電(dian)(dian)(dian)機(ji)(ji)參數的變化(hua)以(yi)及(ji)磁飽和等非(fei)線(xian)性因素的影響。其中電(dian)(dian)(dian)磁模(mo)型能(neng)(neng)夠考慮電(dian)(dian)(dian)機(ji)(ji)漏磁、磁場飽和、電(dian)(dian)(dian)樞反(fan)應及(ji)損耗對電(dian)(dian)(dian)機(ji)(ji)性能(neng)(neng)的影響;控制系統控制電(dian)(dian)(dian)機(ji)(ji)的輸入,電(dian)(dian)(dian)機(ji)(ji)將(jiang)三相電(dian)(dian)(dian)流、轉(zhuan)速、位置、轉(zhuan)矩(ju)等信(xin)息反(fan)饋到控制系統中。


03.png